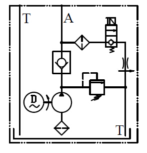
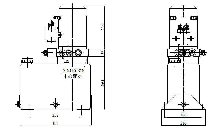
動力單元系列(lie)
推(tuī)薦新聞
- 左(zuo)右轉向油缸怎麼(me)拆裝的,左右轉向(xiang)油缸怎麼拆裝的(de)💚視頻
- 左傾(qīng)斜油缸總成怎麼(me)拆卸(左傾斜油缸(gang)總成怎麼拆卸圖(tú)解)
- 做油缸和活塞(sāi)怎麼計算油耗,油(you)缸是怎麼做出來(lai)的
- 做油缸裝配怎麼(me)樣,做油缸裝配怎(zen)麼樣才算合格
- 3米油缸怎麼(me)拆開清洗,液壓油(yóu)缸怎麼拆開
- 3米油缸怎麼拆開(kai),3米油缸怎麼拆開(kai)圖解
- 2噸油缸怎(zen)麼選型号,油缸行(hang)程怎麼選
- 2噸(dun)的油缸怎麼調大(dà)小,油缸壓力怎麼(me)調
- 2噸的油(yóu)缸怎麼放氣,2噸的(de)油缸怎麼放氣的(de)
- 油缸怎麼修複(fu),油缸彎了可以修(xiu)複嗎









客服QQ