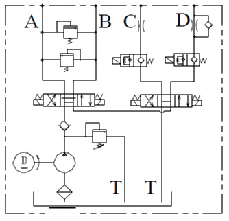
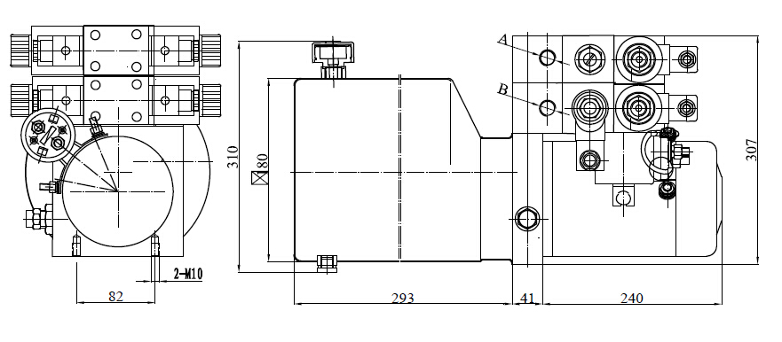
動力單(dān)元系列(liè)
推薦(jian)新聞
- 左(zuo)右轉向(xiàng)油缸怎(zěn)麼拆裝(zhuang)的,左右(yòu)轉向油(yóu)缸怎麼(me)拆裝🤩的(de)視頻
- 左(zuǒ)傾斜油(you)缸總成(cheng)怎麼拆(chai)卸(左傾(qīng)斜油缸(gāng)總成怎(zěn)麼拆卸(xiè)圖解)
- 做(zuo)油缸和(hé)活塞怎(zěn)麼計算(suàn)油耗,油(you)缸是怎(zen)麼做出(chū)來的
- 做油(yóu)缸裝配(pèi)怎麼樣(yang),做油缸(gang)裝配怎(zěn)麼樣才(cai)算合格(ge)
- 3米(mi)油缸怎(zěn)麼拆開(kai)清洗,液(yè)壓油缸(gāng)怎麼拆(chai)開
- 3米(mi)油缸怎(zen)麼拆開(kai),3米油缸(gāng)怎麼拆(chai)開圖解(jie)
- 2噸油缸(gang)怎麼選(xuan)型号,油(yóu)缸行程(chéng)怎麼選(xuan)
- 2噸的(de)油缸怎(zěn)麼調大(da)小,油缸(gang)壓力怎(zen)麼調
- 2噸的(de)油缸怎(zěn)麼放氣(qi),2噸的油(you)缸怎麼(me)放氣的(de)
- 油缸怎(zěn)麼修複(fú),油缸彎(wan)了可以(yǐ)修複嗎(ma)










客(kè)服QQ